室外分层电缆
全截面阻水3,钢(铝)与搭接接合可靠,强度高,扭转不破裂4,光纤长度控制稳定5,电缆成型后,光纤的附加衰减几乎为零,并且分散值不变。优异的环保性能,适用于-10°C~ + 70°C的温度范围.7。
适用于架空,管道,直埋等.1。金属中心加固(磷化钢丝)2。
聚乙烯内护套3,双面 - 涂层皱褶钢带 - 聚乙烯粘接外护套1,远距离通讯,办公室间通讯2,特别适用于对机械强度和抗老化要求高的场合。
您可能还喜欢这些产品
- 电源外加电源法求等效电阻:受控源电路分析的实用技巧
电源外加电源法在受控源电路中的应用解析在电路分析中,求解复杂网络的等效电阻是一项基础但关键的任务。当电路中包含受控源(如电压控制电流源
- 深入理解受控源对等效电阻的影响:基于外加电源法的系统分析
受控源如何改变电路的等效电阻特性?在含有受控源的线性电路中,等效电阻不再仅由被动元件决定,而是受到控制系数和控制变量的深刻影响。利用“
叠层电感叠层电感器也是非绕线电感器。叠层电感器是一种根据不同结构进行分类的电感器。特性:1、外形尺寸小。2、闭路,无交互干扰,适合高密度安装。3、
- 湖北耐腐蚀性Key电缆浮球液位开关
湖北地区使用的耐腐蚀性Key电缆浮球液位开关是一种专门设计用于监测和控制液体水平的设备。这种液位开关特别适用于具有腐蚀性的液体环境,如化工
高频叠层电感介绍、特性、工艺、应用电感器作为一种可以过滤和隔离交流信号的电子元件,在许多领域都有广泛的应用。功率电感器分为带磁罩和不带磁罩两种,主要由磁芯和铜线组成。在
- 重新设计的真空管前置放大器使音频更上一层楼
JHK Audio 使用行业领先的 Bulk Metal ® Foil 技术来创建更暗的音频背景,并在旨在满足最复杂发烧友需求的高端音频设备中提供卓越的音频性能。行业
叠层电感与绕线电感的区别1.叠层电感的散热较好,ESR值较小。但是耐电流比绕线电感小。 2.绕组电感的散热不如叠片电感的散热。ESR值较高,但耐电流较大。
叠层电感与绕线电感的区别1、叠片具有较好的散热性和较低的ESR值。然而,耐电流较绕线小。2、绕线的散热不如叠层电感,ESR值更高,但耐电流会更大。3、叠层电感的成本比缠绕
- 空调外部单元电容器的安装方法
空调外部单元电容器的安装方法空调机组的电容器是一个重要的电子元件,可以帮助电机更高效、更稳定地运行。安装空调机组电容器时,需要注意以下
高压单台三相电容器外壳内部接线高压电容器介绍(结构,功能,用途和参数)高压电容器是由圆筒体、筒体顶部、平盖或半球形形封头、密封元件以及一些附件组成。电容器具有耗损低
汽车级电感器:新型积层电感器新型电容器系列可在广泛频率范围内提供高阻抗与竞争对手的电容器相比,在电流应用过程中阻抗变化明显降低,可实现更有效的功率传输外形紧凑,可
黄金铝壳电阻外壳对地绝缘产品特征 :功率大,尺寸小,高精度.标准无感应绕线电阻.高稳定,强架构.通用规格通用规格 :功率范围 :5~~250W有6种可供选择.阻值公差 :10%, 5%, 3%, 2%
- 天二、天二天二配天四:揭秘高效协作模式的底层逻辑
引言:从数字组合看团队协同新范式在现代组织管理与项目协作中,‘天二、天二天二配天四’这一看似神秘的术语逐渐成为高效团队运作的代名词。它
- 分流器电阻的分类与应用:固定式分流电阻详解
分流器电阻的基本概念分流器电阻是一种用于测量大电流的精密电子元件,其核心功能是将大电流按比例分流,从而在低电压下实现对电流的精确检测。
- 深入解析分流电阻的分类与应用:固定式分流电阻的核心优势
分流电阻的基本概念与作用分流电阻,又称分流器,是一种用于测量大电流的精密电子元件。其核心功能是将大部分电流通过自身,仅让小部分电流流入
瓷介电容分不分正负瓷片电容都不区分正负极。常见的电容中,只有电解电容器才要区分正负极。瓷片电容器是属于无极性电容,因此这种电容在安装过程中不需要区分正负
贴片电阻分不分正负电阻是我们在电路中使用的一种非常常见的电子元件,它主要限制通过它连接的支路的电流。电阻是否分正负极呢?---电阻是不分正负极的电阻为无极性
- 电容分正负极不分
电容分两种:极性电容和无极性电容,有极性的电容可以从电容实物上的标记特征区分,无极性的电容没有正负极,可以任意接线。极性电容1、电解电容
电容并联分压还是分流电容器并联可以组成分流电流,串联可以组成分压电路,。电容器并联的意义在于,它可以提供(吸收)更大的电容电流,即增加容量。特别是在无功补
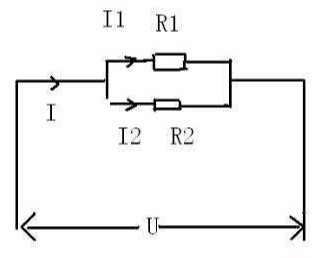
多个电阻分流分压公式R1:R2=U1:U2分压原理,指的是在串联电路中,各电阻上的电流相等,各电阻两端的电压之和等于电路总电压。 分压原理的公式为R1:R2=U1:U2。
